1应用
TX3351-DR差压远传变送器的膜盒是用于防止管道内介质直接进入差压变送器的压力传感器组件中,它与变送器之间采用硅油等填充液传递压力。
TX3351-DR差压远传变送器用于测量液体、气体或蒸汽的液位、密度、压力、以及流量,然后将其转变成4~20mADC HART电流信号输出。TX3351-DR也可与RST375手持终端或RSM100 Modem 相互通信,通过它们进行参数设定、过程监控等。TX3351-DR差压远传变送器的测量范围(未迁移时)为0-1kPa~2MPa,远传法兰的额定压力分别为:1.6/4MPa、6.4MPa、10MPa、150psi、300psi或600psi。
2工作原理
TX3351-DR差压远传变送器结构上由TX3351-DR系列差压变送器和经焊接安装的带毛细管远传法兰组成。其工作原理与TX3351-DR系列差压变送器相同(参见TX3351-DR系列差压变送器技术规格书),只是压力传递路径略有不同:作用在远传法兰侧的压力,首先经远传法兰上的膜片和填充液,再经毛细管,*后到达测量传感器相应的正负侧。
3输入
测量参数:差压、液位
测量范围
下限值:-100%URL起(连续可调)
上限值:至+100%URL(连续可调)
量程
表1量程代码与量程范围关系对照表
|
量程 代码 | *小量程 | *大量程 | 额定压力(*大值) |
| B | 1kPa | 6kPa | 远传法兰的额定压力 |
| C | 4kPa | 40kPa | |
| D | 25kPa | 250kPa | |
| E | 200kPa | 2MPa |
表2远传法兰与*小量程关系对照表
| 液位法兰 | 标称直径 | *小量程 | |
| 单边远传 | 双边远传 | ||
| 扁平式 | DN 50/2” | 10kPa | 10kPa |
| DN 80/3” | 6kPa | 1kPa | |
| DN 4” | 6kPa | 1kPa | |
| 插入式 | DN 50/2” | 16kPa | 16kPa |
| DN 80/2” | 6kPa | 1kPa | |
| DN 4” | 6kPa | 1kPa | |
远传变送器的*小量程应为表1和表2中*小量程的较大值。调节的量程不得小于*小量程。远传变送器的*大量程应为变送器本体*大量程与液位法兰额定压力两者的*小值。
4输出
输出信号
2线制,4~20mADC HART输出,数字通讯,HART协议加载在4~20mADC信号上。
输出信号极限:Imin=3.9mA,Imax=20.5mA
报警电流(模式可设置)
低报模式(*小):3.7 mA
高报模式(*大):21 mA
不报模式(保持):保持故障前的有效电流值
报警电流标准设置:高报模式
5响应时间
放大器部件阻尼常数为0.1s;传感器和远传法兰时间常数为0.2~6s,取决于传感器的量程、量程比,毛细管的长度,以及填充液的粘度。附加的可调时间常数为:0.1~60s。
6一般条件
6.1安装条件
变送器本体可直接固定于任何位置。*佳状态是使过程法兰轴处于垂直状态,位置偏差将产生可校正的零位偏移。电子表壳*大可旋转360°,定位螺钉可将其固定于任何位置。
远传法兰与符合ANSI/DIN标准的配套法兰相连接,该配套法兰应配有软性垫片和安装固定的螺栓、螺母(用户可选配安装螺栓、螺母)。
对于双边法兰远传变送器,毛细管部件和远传法兰应仅可能安装在相同的环境温度中。毛细管的*小弯曲半径为75mm,严禁缠绕!
6.2环境条件
环境温度
**:取决于填充液
**:85℃
带液晶显示、氟橡胶密封圈时 -20~65℃
储存温度/运输温度
**:取决于填充液
**:85℃
相对湿度:0~100%
抗冲击
加速度:50g
持续时间:11ms
抗震动
2g至500Hz
电磁兼容性(EMC)
见下页表4《电磁兼容性附表》
6.3过程介质极限
温度极限
介质温度:-30~400℃
表3填充液、工作温度和*小工作静压关系表
| 填充液 | 硅油(S) | 高温硅油(H) | 超高温硅油(U) | 植物油(V) |
| 密度25℃ | 960kg/m3 | 980kg/m3 | 1020kg/m3 | 937kg/m3 |
| 工作温度范围 | -30~200℃ | -10~350℃ | -10~400℃ | 0~250℃ |
| 温度 | 工作静压范围(kPa绝压) | |||
| 20℃ | >10 | >10 | >10 | >25 |
| 100℃ | >25 | >25 | >25 | >50 |
| 150℃ | >50 | >50 | >50 | >75 |
| 200℃ | >75 | >75 | >75 | >100 |
| 250℃ | >100 | >100 | >100 | |
| 350℃ | >100 | >100 | ||
| 400℃ | >100 | |||
注:超出以上工作温度和静压关系范围的应特别指出,可以通过特殊设计来满足要求。
变送器本体压力极限
从3.5kPa绝对压力至额定压力,保护压力可大于额定压力的1.5倍,同时加于变送器两侧。
远传法兰额定压力
ANSI标准 :150psi~600psi
DIN标准: PN 1.6MPa~PN 10MPa
单向过载极限
低压侧为变送器本体额定压力,高压侧为远传法兰额定压力,可能出现可修正的零点漂移。
重量
单边远传为DN 50/2”约7~10kg,DN 80/3”约8~11kg,DN 4”约9~12kg;
双边远传为DN 50/2”约10~16.5kg,DN 80/3”约12~18kg,DN 4”约14~21kg。
防爆性能
NEPSI隔爆许可:Ex dⅡC T6
NEPSI本安许可:Ex iaⅡC T4
允许使用温度为:-40℃~65℃
6.4电源及负载条件
电源电压为24V
R≤(Us-12V)/Imax kΩ
其中 Imax=23 mA
*大电源电压:42VDC
*小电源电压:12VDC,15VDC(背光液晶显示)
数字通讯负载范围: 250~600Ω
材质
测量膜盒:不锈钢 316L
膜片: 不锈钢 316L、哈氏合金C、钽
过程法兰:不锈钢 304
填充液: 硅油、高温硅油、超高温硅油、植物油
密封圈: 丁腈橡胶(NBR)、氟橡胶(FKM)、
聚四氟乙烯(PTFE)
变送器外壳:铝合金材质,外表喷涂环氧树脂
外壳密封圈:丁腈橡胶(NBR)
铭牌: 不锈钢 304
电气连接
M20X1.5电缆密封扣,接线端子适用于0.5~2.5mm2的导线。
过程连接
变送器低压侧有NPT 1/4 和UNF 7/16``内螺纹。变送器高压侧的液位法兰符合ANSI标准或DIN标准。可直接安装,参照Page.42 Part.7。
外壳防护等级:IP67
表4电磁兼容性附表
| 序号 | 测试项目 | 基本标准 | 测试条件 | 性能等级 |
| 1 | 辐射干扰(外壳) | GB/T 9254-2008表5 | 30MHz~1000MHz | 合格 |
| 2 |
传导干扰 (直流电源端口) | GB/T 9254-2008表1 | 0.15MHz~30MHz | 合格 |
| 3 | 静电放电(ESD)抗扰度 | GB/T 17626.2-2006 |
4kV(触点) 8kV(空气) | B |
| 4 | 射频电磁场抗扰度 | GB/T 17626.3-2006 | 10V/m (80MHz~1GHz) | A |
| 5 | 工频磁场抗扰度 | GB/T 17626.8-2006 | 30A/m | A |
| 6 | 电快速瞬变脉冲群抗扰度 | GB/T 17626.4-2008 | 2kV(5/50ns,5kHz) | B |
| 7 | 浪涌抗扰度 | GB/T 17626.5-2008 |
1kV(线线之间) 2kV(线地之间)(1.2us/50us) | B |
| 8 | 射频场感应的传导干扰抗扰度 | GB/T 17626.6-2008 | 3V (150KHz~80MHz) | A |
注:(1)A性能等级说明:测试时,在技术规范极限内性能正常。
(2)B性能等级说明:测试时,功能或性能暂时降低或丧失,但能自行恢复,实际运行状况、存储及其数据不改变
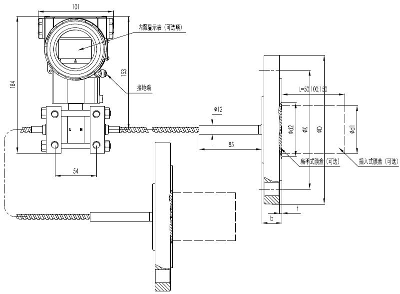
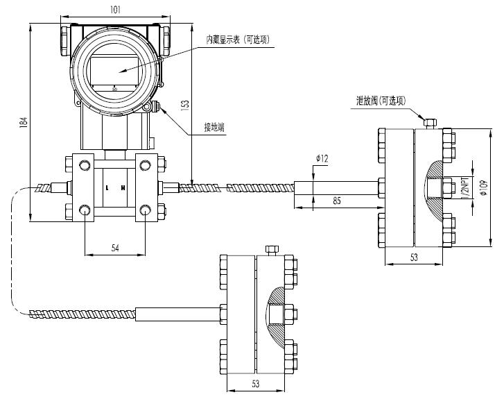
7外形尺寸 单位(mm)
图1基本型双边差压远传密封装置图

图2基本型单边差压远传密封装置图

注:(1)单边基本型差压远传密封装置可以安装在变送器本体的高压侧,也可以安装在变送器的低压侧;
(2)单边或双边基本型差压远传密封装置的变送器本体安装方式同TX3351-DR系列差压变送器。
表5远传法兰结构尺寸表
| 标称直径 | 额定压力 | ΦD | ΦK | Φd1 | Φd2 | Φd3 | t | b | 要求螺栓 | |
| 插入式 | 扁平式 | 数量 | 螺纹 | |||||||
| DN 50 | PN1.6/4MPa | 165 | 125 | 48.3 | 57 | 102 | 3+0.5 | 20 | 4 | M16 |
| (密封面DIN 2526E型) | PN 6.4MPa | 18 | 135 | 48.3 | 57 | 102 | 3+0.5 | 26 | 4 | M20 |
| (法兰 DIN 2501) | PN 10MPa | 195 | 145 | 48.3 | 57 | 102 | 3+0.5 | 28 | 4 | M20 |
| DN 80 | PN1.6/4MPa | 200 | 160 | 76 | 75 | 138 | 3+0.5 | 24 | 8 | M16 |
| (密封面DIN 2526E型) | PN 6.4MPa | 215 | 170 | 76 | 75 | 138 | 3+0.5 | 28 | 8 | M20 |
| (法兰 DIN 2501) | PN 10MPa | 230 | 180 | 76 | 75 | 138 | 3+0.5 | 32 | 8 | M24 |
|
DN 2" (ANSI B 16.5 RF 型) | 150psi | 152.4 | 120.6 | 48.3 | 57 | 92.1 | 3+0.5 | 17.4 | 4 | M18 |
| 300psi | 165.1 | 127.0 | 48.3 | 57 | 92.1 | 3+0.5 | 20.6 | 8 | M18 | |
| 600psi | 165.1 | 127.0 | 48.3 | 57 | 92.1 | 6.35 | 31.75 | 8 | M18 | |
|
DN 3" (ANSI B 16.5 RF 型) | 150psi | 190.5 | 152.4 | 76 | 75 | 127 | 3+0.5 | 22.2 | 4 | M16 |
| 300psi | 209.5 | 168.3 | 76 | 75 | 127 | 3+0.5 | 27.0 | 8 | M20 | |
| 600psi | 209.5 | 168.3 | 76 | 75 | 127 | 6.35 | 38.05 | 8 | M20 | |
| DN 4“ | 150psi | 229 | 191 | 89 | 89 | 157 | 3+0.5 | 30 | 8 | M18 |
| (ANSI B 16.5 RF 型) | 300psi | 255 | 200 | 89 | 89 | 157 | 3+0.5 | 32 | 8 | M18 |
注:用户可选配安装螺栓、螺母。
图3双边螺纹安装式差压远传密封装置图

图4单边螺纹安装式差压远传密封装置

注:(1)单边螺纹安装式差压远传密封装置可以安装在变送器本体的高压侧,也可以安装在变送器的低压侧;
(2)单边和双边螺纹安装式差压远传密封装置的变送器本体安装方式同TX3351-DR系列差压变送器。
8 电气连接
图5电气连接图

注:快捷接口功能等同于信号端子。
9单边远传无远传法兰端的过程连接说明

10型号和规格代码表
| 差压远传变送器本体选型 TX3351-DR | |||||||||||||||||||||
| 10 | 精度 输出 | ||||||||||||||||||||
| B | 基本误差±0.075% | ||||||||||||||||||||
| C | 基本误差±0.1% | ||||||||||||||||||||
| 20 | 量程 | ||||||||||||||||||||
| B | 0-2kPa~6kPa(0-200~600 mmH2O)/(0-20~60mbar) | ||||||||||||||||||||
| C | 0-4kPa~40kPa(0-400~4000 mmH2O)/(0-40~400mbar) | ||||||||||||||||||||
| D | 0-2.5kPa~250kPa(0-0.25~25 mH2O)/(0-25~2500mbar) | ||||||||||||||||||||
| F | 0-30kPa~3MPa(0-3~300 mH2O)/(0-0.3~30bar) | ||||||||||||||||||||
| 30 | 静压芯片 | ||||||||||||||||||||
| 0 | 无 | ||||||||||||||||||||
| 1 | 40MPa | ||||||||||||||||||||
| 40 | 传感器膜片材质 填充液 | ||||||||||||||||||||
| A | 不锈钢 316L | 硅油 | |||||||||||||||||||
| 50 | 额定工作压力 | ||||||||||||||||||||
| 1 | 16MPa | ||||||||||||||||||||
| 60 | 负腔过程连接 | ||||||||||||||||||||
| RN | 1/4英寸NPT及7/16英寸UNF螺纹孔 无泄放阀 | ||||||||||||||||||||
| RB | 1/4英寸NPT及7/16英寸UNF螺纹孔 泄放阀装于法兰后部端面 | ||||||||||||||||||||
| RU | 1/4英寸NPT及7/16英寸UNF螺纹孔 泄放阀装于法兰侧面上部 | ||||||||||||||||||||
| RD | 1/4英寸NPT及7/16英寸UNF螺纹孔 泄放阀装于法兰侧面下部 | ||||||||||||||||||||
| RR | 7/16英寸UNF螺纹孔 双法兰远传 | ||||||||||||||||||||
| 70 | 负腔接液密封材质 | ||||||||||||||||||||
| N | 丁腈橡胶(NBR) | ||||||||||||||||||||
| 80 | 特殊功能 | ||||||||||||||||||||
| N | 无 | ||||||||||||||||||||
| F | 平方根输出 | ||||||||||||||||||||
| P | 防雷击功能 | ||||||||||||||||||||
| 90 | 安装支架 | ||||||||||||||||||||
| N | 无 | ||||||||||||||||||||
| 100 | 过程连接附件 | ||||||||||||||||||||
| N | 无 | ||||||||||||||||||||
| 110 | 液晶显示 | ||||||||||||||||||||
| N | 无 | ||||||||||||||||||||
| 2 | LED背光液晶显示(-20℃) | ||||||||||||||||||||
| 3 | OLED显示(-40℃) | ||||||||||||||||||||
| 120 | 防爆选项 | ||||||||||||||||||||
| N | 基本型 | ||||||||||||||||||||
| A | 本安型,NEPSI | ||||||||||||||||||||
| D | 隔爆型,NEPSI (不含隔爆电缆接头) | ||||||||||||||||||||
| 130 | 位号标牌 | ||||||||||||||||||||
| N | 无 | ||||||||||||||||||||
| 1 | 位号标于铭牌内 | ||||||||||||||||||||
| 2 | 悬挂式不锈钢标牌 | ||||||||||||||||||||
| 140 | 使用说明 | ||||||||||||||||||||
| C | 中文 | ||||||||||||||||||||
| E | 英文 | ||||||||||||||||||||
| 150 | 附加选项 | ||||||||||||||||||||
| S | 不锈钢表壳 | ||||||||||||||||||||
| V | 低电压版 | ||||||||||||||||||||
| 1基本型差压远传变送器远传密封装置选型 | |||||||||||||||
| 10 | 基本型差压远传密封装置 | ||||||||||||||
|
RH- RL- |
带毛细管 ⊕侧 带毛细管 Θ侧 | ||||||||||||||
| 20 | 过程连接 标称直径 密封面形式 膜片/密封面材质 | ||||||||||||||
| A | DN50 DIN 2501/HG20592 E型 DN2526 不锈钢 316L | ||||||||||||||
| B | DN50 DIN 2501/HG20592 E型 DN2526 哈氏合金C | ||||||||||||||
| C | DN50 DIN 2501/HG20592 E型 DN2526 钽(温度≤200℃) | ||||||||||||||
| H | DN80 DIN 2501/HG20592 E型 DN2526 不锈钢 316L | ||||||||||||||
| I | DN80 DIN 2501/HG20592 E型 DN2526 哈氏合金C | ||||||||||||||
| G | DN80 DIN 2501/HG20592 E型 DN2526 钽(温度≤200℃) | ||||||||||||||
| R | DN100 DIN 2501/HG20592 E型 DN2526 不锈钢 316L | ||||||||||||||
| S | DN100 DIN 2501/HG20592 E型 DN2526 哈氏合金C | ||||||||||||||
| T | DN100 DIN 2501/HG20592 E型 DN2526 钽(温度≤200℃) | ||||||||||||||
| D | DN2″ANSI B 16.5/HG20592 RF型 ANSI B 16.5 不锈钢 316L | ||||||||||||||
| E | DN2″ANSI B 16.5/HG20592 RF型 ANSI B 16.5 哈氏合金C | ||||||||||||||
| F | DN2″ANSI B 16.5/HG20592 RF型 ANSI B 16.5 钽(温度≤200℃) | ||||||||||||||
| K | DN3″ANSI B 16.5/HG20592 RF型 ANSI B 16.5 不锈钢 316L | ||||||||||||||
| L | DN3″ANSI B 16.5/HG20592 RF型 ANSI B 16.5 哈氏合金C | ||||||||||||||
| M | DN3″ANSI B 16.5/HG20592 RF型 ANSI B 16.5 钽(温度≤200℃) | ||||||||||||||
| N | DN4″ANSI B 16.5/HG20592 RF型 ANSI B 16.5 不锈钢 316L | ||||||||||||||
| O | DN4″ANSI B 16.5/HG20592 RF型 ANSI B 16.5 哈氏合金C | ||||||||||||||
| P | DN4″ANSI B 16.5/HG20592 RF型 ANSI B 16.5 钽(温度≤200℃) | ||||||||||||||
| 30 | 额定压力 压力等级 法兰压力标准 | ||||||||||||||
| 1 | PN 1MPa/4MPa DIN 2501/HG20592 | ||||||||||||||
| 2 | PN 6.4MPa DIN 2501/HG20592 | ||||||||||||||
| 3 | PN 10MPa DIN 2501/HG20592 | ||||||||||||||
| 4 | PN 1MPa/1.6MPa(DN100选) DIN 2501/HG20592 | ||||||||||||||
| 5 | PN 2.5MPa/4MPa(DN100选) DIN 2501/HG20592 | ||||||||||||||
| 6 | 150psi ANSI B 16.5/HG20592 | ||||||||||||||
| 7 | 300psi ANSI B 16.5/HG20592 | ||||||||||||||
| 8 | 600psi ANSI B 16.5(不包括 DN4″ANSI B 16.5) | ||||||||||||||
| 40 | 连接形式 | ||||||||||||||
| F | 扁平式 | ||||||||||||||
| H | 插入式,不锈钢 316L 插入长度50mm | ||||||||||||||
| I | 插入式,不锈钢 316L 插入长度100mm | ||||||||||||||
| G | 插入式,不锈钢 316L 插入长度150mm | ||||||||||||||
| L | 插入式,哈氏合金C 插入长度50mm | ||||||||||||||
| M | 插入式,哈氏合金C 插入长度100mm | ||||||||||||||
| N | 插入式,哈氏合金C 插入长度150mm | ||||||||||||||
| 50 | 填充液 | ||||||||||||||
| S | 硅油 -30~200℃ | ||||||||||||||
| H | 高温硅油 -10~350℃ | ||||||||||||||
| U | 超高温硅油 -10~400℃ | ||||||||||||||
| L | 超低温填充液 -100~100℃ | ||||||||||||||
| V | 植物油 0~250℃ | ||||||||||||||
| F | 氟油 -30~260℃ | ||||||||||||||
| 60 | 毛细管长度 | ||||||||||||||
|
1 2 3 4 5 6 8 10 S |
1m 2 3 4 5 6 8 10 特殊长度 | ||||||||||||||
| 70 | 毛细管部件特性 | ||||||||||||||
|
N P |
无 带PVC保护层毛细管 | ||||||||||||||
| 80 | 接液法兰膜盒面形式 | ||||||||||||||
|
N 1 2 3 4 5 6 |
无 316L上涂FEP(氟化乙烯丙烯共聚物)(温度≤180℃) 316L上涂PFA(过氟烷基化物) (温度≤260℃) 膜片贴PTFE膜(聚四氟乙烯膜)[2] (温度≤200℃) (不适用于插入式) 316L上涂FEP(氟化乙烯丙烯共聚物)(温度≤180℃)(仅适用于插入式) 316L上涂PFA(过氟烷基化物) (温度≤260℃)(仅适用于插入式) 防真空处理 | ||||||||||||||
注1:在对差压远传法兰密封装置选型时,应先完成差压液位变送器本体选型,再选下面的法兰部分选型
注2:膜片贴PTFE膜,也即F4膜片,可适用于负压的测量,但仅适用于扁平式液位法兰
注3:当测量压力或工作静压<50kPa(绝对压力)时,应在80项选择6,以保证性能
| 2螺纹安装式差压远传密封装置选型[6] | ||||||||||||||
| 10 | 螺纹安装式差压远传密封装置 | |||||||||||||
| TH- | 带毛细管 ⊕侧 | |||||||||||||
| TL- | 带毛细管 Θ侧 | |||||||||||||
| 20 | 膜片/密封面材质 | |||||||||||||
| U | 不锈钢 316L | |||||||||||||
| V | 哈氏合金C | |||||||||||||
| W | 钽 | |||||||||||||
| 30 | 冲洗备用孔 | |||||||||||||
| 1 | 无 | |||||||||||||
| 0 | 有 | |||||||||||||
| 40 | 填充液 | |||||||||||||
| S | 硅油 -30~200℃ | |||||||||||||
| H | 高温硅油 -10~350℃ | |||||||||||||
| V | 植物油 0~250℃ | |||||||||||||
| F | 氟油 -30~260℃ | |||||||||||||
| 50 | 毛细管长度 | |||||||||||||
| 1 | 1m | |||||||||||||
| 2 | 2m | |||||||||||||
| 3 | 3m | |||||||||||||
| 4 | 4m | |||||||||||||
| 5 | 5m | |||||||||||||
| 6 | 6m | |||||||||||||
| 7 | 7m | |||||||||||||
| 8 | 8m | |||||||||||||
| 9 | 9m | |||||||||||||
| 10 | 10m | |||||||||||||
| 11 | 11m | |||||||||||||
| 12 | 12m | |||||||||||||
| … | … | |||||||||||||
| 60 | 毛细管部件特性 | |||||||||||||
| N | 无 | |||||||||||||
| P | 带PVC保护层毛细管 | |||||||||||||
| 70 | 接液法兰膜盒面形式 | |||||||||||||
| N | 无 | |||||||||||||
| P | 防真空处理 | |||||||||||||
注6:在对螺纹安装式远传法兰密封装置选型时,应先完成差压液位变送器本体选型,再选下面的法兰部分选型
注7:当测量压力或工作静压<50kPa(绝对压力)时,应在70项选择6,以保证性能
Copyright 恒信彩 版权所有 苏ICP备12002763号-10
全国服务电话:0519-85225861-856 ? 传真:0519-85281591
公司地址:江苏省常州市新北区孟河镇郭河工业园