TX3351型变送器
TX3351-AP远传压力变送器
时间: 2020-04-22 08:01:28 浏览次数:3386
恒信彩专业生产压力变送器,差压变送器,温度变送器,液位变送器,防爆温度变送器,防爆压力变送器,防爆差压变送器,二十年专注研发高品质国产变送器。

1应用
TX3351-GP/AP表压/绝压远传变送器的膜盒是用于防止管道内介质直接进入变送器的压力传感器组件中,它与变送器之间采用硅油等填充液传递压力。
TX3351-GP/AP表压/绝压远传变送器用于测量液体、气体或蒸汽的液位、密度、压力,然后将其转变成4~20mADC HART电流信号输出。TX3351-GP/AP也可与RST375手持终端或RSM100 Modem 相互通信,通过它们进行参数设定、过程监控等。TX3351-GP/AP表压/绝压远传变送器的测量范围(未迁移时)为0-6kPa~25MPa,远传法兰的额定压力分别为:1.6/4MPa、6.4MPa、10MPa、150psi、300psi或600psi。
 
2工作原理与结构
TX3351-GP/AP表压/绝压远传变送器结构上由TX3351-GP/AP系列表压/绝压变送器和经焊接安装的带毛细管远传法兰组成。其工作原理与TX3351-GP/AP系列表压/绝压变送器相同(参见TX3351-GP/AP系列表压/绝压系列变送器技术规格书),只是压力传递路径略有不同:作用在远传法兰侧的压力,首先经远传法兰上的膜片和填充液,再经毛细管,*后到达测量传感器的测量端。
 
3输入
测量参数:表压、绝压、液位
 
测量范围
表压远传变送器:
下限值:-100%URL起(连续可调)
上限值:至+100%URL(连续可调)
 
绝压远传变送器:
下限值:0~100%URL起(连续可调)
上限值:至+100%URL(连续可调)
 
量程
表1量程代码与量程范围关系对照表

量程
代码
*小量程 *大量程 额定压力(*大值)
C 6kPa 40kPa 液位法兰的额定压力
D 25kPa 250kPa
F 30kPa 3MPa
G 1MPa 10MPa
H 2.1MPa 21MPa
I 4MPa 40MPa
L 6kPa绝压 40kPa绝压
M 25kPa绝压 250kPa绝压
O 30kPa绝压 3MPa绝压

 
表2远传法兰与*小量程关系对照表  
  

法兰 标称直径 *小/*大量程 *长毛细管长度
扁平式 DN 25/1” 160kPa/25MPa 10m
DN 50/2” 10kPa/10MPa 12m
DN 80/3” 6kPa/10MPa 16m
DN 4” 6kPa/3MPa 16m
插入式 DN 50/2” 16kPa/10MPa 10m
DN 80/2” 6kPa/10MPa 16m
DN 4” 6kPa/3MPa 16m
螺纹安装
式远传
外径109mm 160kPa/25MPa 10m

表压/绝压远传变送器的*小量程应为表1和表2中*小量程的较大值。调节的量程不得小于*小量程。表压/绝压远传变送器的*大量程应为变送器本体*大量程与远传法兰额定压力两者的*小值。
 
4输出
输出信号
2线制,4~20mADC HART输出,数字通讯,HART协议加载在4~20mADC信号上。
输出信号极限:Imin=3.9mA,Imax=20.5mA
 
报警电流(模式可设置)
低报模式(*小):3.7 mA
高报模式(*大):21 mA
不报模式(保持):保持故障前的有效电流值
报警电流标准设置:高报模式
 
5响应时间
放大器部件阻尼常数为0.1s;传感器和远传法兰时间常数为0.2~6s,取决于传感器的量程、量程比,毛细管的长度,以及充灌液的粘度。附加的可调时间常数为:0.1~60s。
 
6一般条件
6.1安装条件
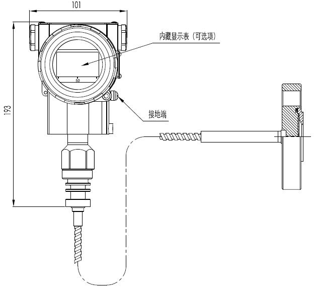
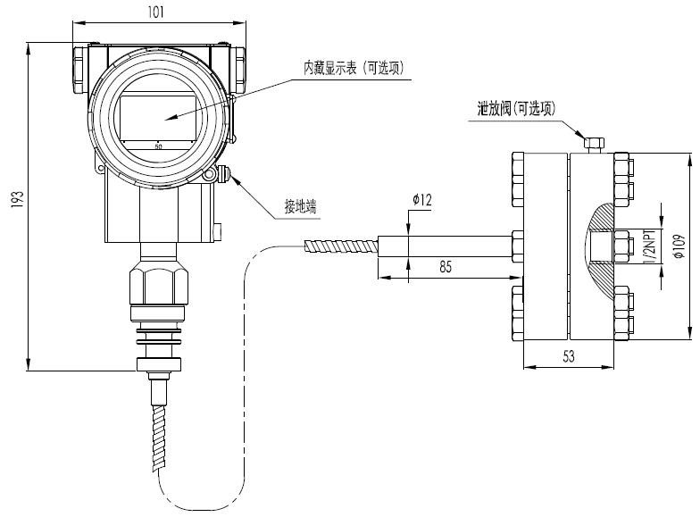
不带毛细管的表压/绝压远传变送器可以通过远传法兰直接安装,位置偏差将产生可校正的零位偏移。电子表壳*大可旋转360°,定位螺钉可将其固定于任何位置。
表压/绝压远传法兰与符合ANSI/DIN标准的配套法兰相连接,该配套法兰应配有软性垫片和安装固定的螺栓、螺母(用户可选配安装螺栓、螺母)。
对于带毛细管的表压/绝压远传变送器,如果远传密封装置低于变送器本体,则远传密封装置与变送器本体的*大高度落差应<5m。当工作压力低于100kPa绝对压力时,变送器本体须低于远传密封装置。
毛细管的*小弯曲半径为75mm,严禁缠绕!
 
6.2环境条件
环境温度
**:取决于填充液
**:85℃
带液晶显示、氟橡胶密封圈时 -20~65℃
 
储存温度/运输温度
**:取决于填充液
**:85℃
 
相对湿度:0~100%
 
抗冲击
加速度:50g
持续时间:11ms
 
抗震动
2g至500Hz
 
电磁兼容性(EMC)
见下页表4《电磁兼容性附表》
 
6.3
介质温度:-30~400℃
表3填充液、工作温度和*小工作压力关系表

填充液 硅油(S) 高温硅油(H) 超高温硅油(U) 植物油(V)
密度25℃ 960kg/m3 980kg/m3 1020kg/m3 937kg/m3
工作温度范围 -30~200℃ -10~350℃ -10~400℃ 0~250℃
 
温度 工作压力范围(kPa绝压)
20℃ >10 >10 >10 >25
100℃ >25 >25 >25 >50
150℃ >50 >50 >50 >75
200℃ >75 >75 >75 >100
250℃   >100 >100 >100
350℃   >100 >100  
400℃     >100  

 
 
注:超出以上工作温度和压力关系范围的应特别指出,可以通过特殊设计来满足要求。
 
变送器本体压力极限:真空至*大压力
 
远传法兰额定压力
ANSI标准 :150psi~600psi
DIN标准:  PN 1.6MPa~PN 10MPa
重量
DN 50/2&rdquo;约7~10kg,DN 80/3&rdquo;约8~11kg,DN 4&rdquo;约9~12kg。
 
防爆性能
NEPSI隔爆许可:Ex dⅡC T6
NEPSI本安许可:Ex iaⅡC T4
允许使用温度为:-40℃~65℃
 
6.4电源及负载条件
电源电压为24V
R&le;(Us-12V)/Imax  k&Omega;
其中 Imax=23 mA
*大电源电压:42VDC
*小电源电压:12VDC,15VDC(背光液晶显示)
数字通讯负载范围: 250~600&Omega;
 
材质
测量膜盒:不锈钢 316L
膜片:    不锈钢 316L、哈氏合金C、钽
过程法兰:不锈钢 304
填充液:  硅油、高温硅油、超高温硅油、植物油
变送器外壳:铝合金材质,外表喷涂环氧树脂
外壳密封圈:丁腈橡胶(NBR)
铭牌:     不锈钢 304
 
电气连接
M20X1.5电缆密封扣,接线端子适用于0.5~2.5mm2的导线。
 
过程连接
远传法兰符合ANSI标准或DIN标准。可直接安装,参加尺寸图。
 
外壳防护等级:IP67
 
表4电磁兼容性附表

序号 测试项目 基本标准 测试条件 性能等级
1 辐射干扰(外壳) GB/T 9254-2008表5 30MHz ~1000MHz 合格
2 传导干扰
(直流电源端口)
GB/T 9254-2008表1 0.15MHz~30MHz 合格
3 静电放电(ESD)抗扰度 GB/T 17626.2-2006 4kV(触点)
8kV(空气)
B
4 射频电磁场抗扰度 GB/T 17626.3-2006 10V/m (80MHz~1GHz) A
5 工频磁场抗扰度 GB/T 17626.8-2006 30A/m A
6 电快速瞬变脉冲群抗扰度 GB/T 17626.4-2008 2kV(5/50ns,5kHz) B
7 浪涌抗扰度 GB/T 17626.5-2008 1kV(线线之间)
2kV(线地之间)(1.2us/50us)
B
8 射频场感应的传导干扰抗扰度 GB/T 17626.6-2008 3V (150KHz~80MHz) A

 

注:(1)A性能等级说明:测试时,在技术规范极限内性能正常。
   (2)B性能等级说明:测试时,功能或性能暂时降低或丧失,但能自行恢复,实际运行状况、存储及其数据不改变。
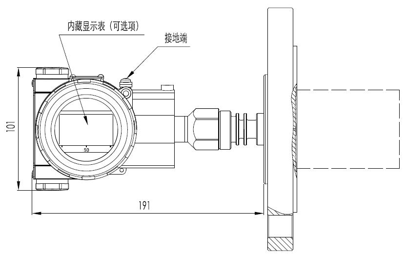
7外形尺寸                                                                     单位(mm)
图1基本型远传密封装置图(RS型)

 


 
 
图2基本型远传密封装置直接安装式图(RN型)

 
表5基本型远传密封装置结构尺寸表

标称直径 额定压力 &Phi;D &Phi;K &Phi;d1 &Phi;d2 &Phi;d3 t b 要求螺栓
插入式 扁平式 数量 螺纹
DN 50 PN1.6/4MPa 165 125 48.3 57 102 3+0.5 20 4 M16
(密封面DIN 2526E型) PN 6.4MPa 18 135 48.3 57 102 3+0.5 26 4 M20
(法兰 DIN 2501) PN 10MPa 195 145 48.3 57 102 3+0.5 28 4 M20
DN 80 PN1.6/4MPa 200 160 76 75 138 3+0.5 24 8 M16
(密封面DIN 2526E型) PN 6.4MPa 215 170 76 75 138 3+0.5 28 8 M20
(法兰 DIN 2501) PN 10MPa 230 180 76 75 138 3+0.5 32 8 M24
DN 2"
(ANSI B 16.5 RF 型)
150psi 152.4 120.6 48.3 57 92.1 3+0.5 17.4 4 M18
300psi 165.1 127.0 48.3 57 92.1 3+0.5 20.6 8 M18
600psi 165.1 127.0 48.3 57 92.1 6.35 31.75 8 M18
DN 3"
(ANSI B 16.5 RF 型)
150psi 190.5 152.4 76 75 127 3+0.5 22.2 4 M16
300psi 209.5 168.3 76 75 127 3+0.5 27.0 8 M20
600psi 209.5 168.3 76 75 127 6.35 38.05 8 M20
DN 4&ldquo; 150psi 229 191 89 89 157 3+0.5 30 8 M18
(ANSI B 16.5 RF 型) 300psi 255 200 89 89 157 3+0.5 32 8 M18

注:用户可选配安装螺栓、螺母。
 
图3带内部膜片的远传密封装置图(US型)
 


图4带内部膜片的远传密封装置直接安装式图(UN型)

 
表6连接符合DIN 2501标准的带内部膜片的远传密封装置结构尺寸表

DN PN 尺寸,mm 重量
kg
D K d4 b f H d2 G2
25 1MPa/4MPa 115 85 68 22 2 - 14 - 1.5
25 6.3MPa/10MPa 140 100 68 24 2 52 - 4&times;M16 3.2
16MPa 140 100 68 24 2 52 - 4&times;M16 3.6
25MPa 150 105 68 28 2 96 - 4&times;M20 4

 
表7连接符合ANSI B 16.5标准的带内部膜片的远传密封装置结构尺寸表

DN psi 尺寸,mm 重量
kg
D K d2 d4 b f H G2UNC
1" 150 110 79.5 16 51 22 2 - - 1.4
300 125 89 20 51 22 2 - - 1.7
1" 600 125 89 - 51 25 7 53 4&times;5/8&rdquo; 3.6
1500 150 101.5 - 51 36 7 64 4&times;7/8&rdquo; 4.0

 
 
 
 
 
图5螺纹安装式远传密封装置图(TS型)

 
电气连接
图6电气连接图


注:快捷接口功能等同于信号端子。
 
9型号和规格代码表
 

表压变送器本体选型  TX3351-GP 
绝压变送器本体选型  TX3351-AP 
10 输出
    B
C
基本误差&plusmn;0.075%     4-20mA带HART通讯
基本误差&plusmn;0.1%     4-20mA带HART通讯
20 量程
      表压TX3351-GP
      C 0-6kPa~40kPa /(0-600~4000 mmH2O)/(0-60~400mbar)
      D 0-25kPa~250kPa /(0-2.5~25 mH2O)/(0-250~2500mbar)
      F 0-30kPa~3MPa /(0-3~300 mH2O)/(0-0.3~30bar)
      G 0-0.1MPa~10MPa /(0-1~100bar) 
      H 0-0.21MPa~21MPa /(0-2.1~210 bar)
      I 0-0.4MPa~40MPa /(0-4~400 bar)
      绝压 TX3351-AP
      L 0-10kPa~40kPa /(0-1000~4000 mmH2O)/(0-10~400mbar)   
      M 0-25kPa~250kPa /(0-250~2500mbar)
      O
T
0-30kPa~3MPa /(0-0.3~30bar)
0-10kPa~40kPa /(0-1000~4000 mmH2O)/(0-10~400mbar)【过载保护至7MPa】
30 膜片材质                              填充液 
        A 不锈钢 316L 硅油
40 过程连接 
          R 远传连接
50 特殊功能
            N
            P 防雷击功能
60 安装支架
              N
              1 不锈钢
              2 碳钢镀锌
70 液晶显示 
                N
                2 LED背光液晶显示(-20℃)
                3 OLED显示(-40℃)
80 防爆选项
                N 基本型
                  A 本安型,NEPSI
                  D 隔爆型,NEPSI (不含隔爆电缆接头)
90 位号标牌
                    N      
                    1 位号标于铭牌内   
                    2 悬挂式不锈钢标牌 
100 使用说明
                      C 中文
                      E 英文
110 附加选项
                        S 不锈钢表壳
                        V 低电压版

 

1基本型表压/绝压远传变送器法兰部分选型            
10 基本型表压/绝压远传密封装置              
  RN- 直接安装式,无毛细管  
  RS- 带毛细管                
20   过程连接   标称直径          密封面形式                 膜片/密封面材质  
    A DN50  DIN 2501         E型  DN2526               不锈钢 316L                                       
    B DN50  DIN 2501         E型  DN2526               哈氏合金C                                
    C DN50  DIN 2501         E型  DN2526               钽
    H DN80  DIN 2501         E型  DN2526               不锈钢 316L           
    I DN80  DIN 2501         E型  DN2526               哈氏合金C                
    G DN80  DIN 2501         E型  DN2526               钽                 
    D DN2&Prime;ANSI B 16.5       RF型  ANSI B 16.5         不锈钢 316L                                  
    E DN2&Prime;ANSI B 16.5       RF型  ANSI B 16.5         哈氏合金C                                
    F DN2&Prime;ANSI B 16.5       RF型  ANSI B 16.5         钽                                        
    K DN3&Prime;ANSI B 16.5       RF型  ANSI B 16.5         不锈钢 316L                      
    L DN3&Prime;ANSI B 16.5       RF型  ANSI B 16.5         哈氏合金C                     
    M DN3&Prime;ANSI B 16.5       RF型  ANSI B 16.5         钽                      
    N DN4&Prime;ANSI B 16.5       RF型  ANSI B 16.5         不锈钢 316L                       
    O DN4&Prime;ANSI B 16.5       RF型  ANSI B 16.5         哈氏合金C                       
    P DN4&Prime;ANSI B 16.5       RF型  ANSI B 16.5         钽                           
    Q DN100 DIN 2501         E型   DN2526              不锈钢316L  
    S DN100 DIN 2501         E型   DN2526              哈氏合金C  
    T DN100 DIN 2501         E型   DN2526              钽
30     额定压力    压力等级            法兰压力标准        
      1 PN 1MPa/4MPa              DIN 2501        
      2 PN 6.4MPa                 DIN 2501        
      3 PN 10MPa                  DIN 2501        
      6 150psi                    ANSI B 16.5 
      7 300psi                    ANSI B 16.5  
      8 600psi                    ANSI B 16.5       
40       连接形式          
        F 扁平式          
        H 插入式 , 不锈钢 316L      插入长度50mm 
        I 插入式 , 不锈钢 316L      插入长度100mm 
        G 插入式 , 不锈钢 316L      插入长度150mm
        L 插入式 , 哈氏合金C       插入长度50mm 
        M 插入式 , 哈氏合金C       插入长度100mm 
        N 插入式 , 哈氏合金C       插入长度150mm 
50         填充液         
          S 硅油         -30~200℃    
          H 高温硅油     -10~350℃    
          V 植物油       0~250℃     
          F 氟油         -30~260℃    
60           毛细管长度     
            00 无毛细管,直接安装式    
            01 1m      
            02 2m      
            03 3m      
            04 4m      
            05 5m      
            06 6m      
            07 7m      
            08 8m      
            09 9m      
            10 10m
            11 11m
            12 12m    
            &hellip; &hellip; 
70             毛细管部件特性     
              N
P

带PVC保护层毛细管
 
80               接液法兰膜盒面形式   
                N
                1 316L上涂FEP(氟化乙烯丙烯共聚物)(温度&le;180℃)
                2 316L上涂PFA(过氟烷基化物)(温度&le;260℃)
                3 膜片贴聚四氟乙烯膜(仅适用扁平式)
                4 316L上涂FEP(氟化乙烯丙烯共聚物)(温度&le;180℃)(仅适用于插入式)
                5 316L上涂PFA(过氟烷基化物)(温度&le;260℃)(仅适用于插入式)
                6 防真空处理
                                             

 

2带内部膜片的压力/绝压远传密封装置选项[6]          
10 带内部膜片的远传密封装置          
  UN- 直接安装式  无毛细管          
  US- 带毛细管           
20   过程连接   标称直径          密封面形式                 密封膜片材质  
    U DN25  DIN 2501         D型  DN2526                不锈钢316L
    V DN25  DIN 2501         D型  DN2526                 哈氏合金C
    W DN25  DIN 2501         D型  DN2526                钽
    X DN1&Prime;ANSI B 16.5       RF型  ANSI B 16.5           不锈钢316L
    Y DN1&Prime;ANSI B 16.5       RF型  ANSI B 16.5           哈氏合金C                             
    Z DN1&Prime;ANSI B 16.5       RF型  ANSI B 16.5           钽  
30 额定压力  压力等级                  法兰标准
      1 PN 1MPa/4MPa        DIN 2501  
      2 PN 6.3MPa/10MPa     DIN 2501
      3 PN 16MPa            DIN 2501
      4 PN 25MPa            DIN 2501  
      5 150Psi              ANSI B 16.5  
      6 300Psi              ANSI B 16.5  
      7 600Psi              ANSI B 16.5  
      8 1500Psi             ANSI B 16.5  
40     填充液      
      S 硅油         -30~200℃      
      V 植物油        0~250℃      
50       毛细管长度         
        01 1m    
        02 2m  
        03 3m  
        04 4m  
        05 5m  
        06 6m  
        &hellip; &hellip;  
60         毛细管部件特性        
          N
P

带PVC保护层毛细管
     
70           接液法兰膜盒面形式      
            N
            3 膜片贴PTFE膜(聚四氟乙烯)(温度&le;200℃)
            6 防真空处理
80             密封环材质
              1 聚四氟乙烯 PTFE
              2 不锈钢 316
              3 哈氏合金 C
              4
                           

 
注6:在对带内部膜片的压力/绝压远传密封装置选型时,应先完成TX3351-GP/AP表压/绝压变送器的选型,并在TX3351-GP/AP选项表中第40行选R远传选项。
 

3螺纹安装式表压/绝压远传密封装置选型[10]          
10 螺纹安装式表压/绝压远传密封装置          
  TS- 带毛细管            
20   膜片/密封面材质            
    U 不锈钢 316L                                             
    V 哈氏合金C                                      
    W 钽                                                 
30     冲洗备用孔         
      1          
      0          
40       填充液        
        S 硅油         -30~200℃    
        H 高温硅油     -10~350℃    
        V 植物油         0~250℃    
50         毛细管长度    
          01 1m      
          02 2m      
          03 3m      
          04 4m      
          05 5m      
          06 6m      
          08 8m      
          &hellip; &hellip;     
60           毛细管部件特性     
            N  
            P 带PVC保护层毛细管  
70             接液法兰膜盒面形式  
              N
              P 防真空处理
                               

注10:在对螺纹安装式远传法兰密封装置选型时,应先完成TX3351-GP/AP表压/绝压变送器本体部分的选型,并在TX3351-GP/AP选项表中第40行选R远传选项。

Copyright 恒信彩 版权所有 苏ICP备12002763号-10
全国服务电话:0519-85225861-856 ? 传真:0519-85281591
公司地址:江苏省常州市新北区孟河镇郭河工业园

客服
QQ:634822881
电话
服务电话:
13776817345
微信

微信公众号